wydłużona nasadka udarowa sześciokątna 1/2" M24 Bahco [K7806M-24]
-
Producent:
-
Kod producenta:K7806M-24
Stan magazynowy: 1
| Dostępność: |
dostępny
|
| Koszt dostawy: | od 15,99zł Zobacz wszystkie |
| Cena punktowa: | 613 pkt. |
Profesjonalna, wydłużona nasadka udarowa sześciokątna z mocowaniem na kwadrat 1/2" BAHCO typ K7806M-24 do śrub 24mm, wykonana z wysokiej jakości stali stopowej, kutej, oksydowanej.
Sześciokątny profil nasadki Dynamic Drive pozwala na pracę z wyższym momentem siły, gwarantuje pewne trzymanie i odkręcanej śrub/nakrętek również tych zniszczonych i zapobiega zniszczeniu śrub.
Nasadka udarowa wydłużona Bahco przeznaczona jest do stosowania w elektronarzędziach, narzędziach akumulatorowych czy pneumatycznych z napędem udarowym.
Kliknij, żeby przeczytać pełny opis.Długa nasadka udarowa sześciokątna 1/2" do śrub M23 Bahco K7806M-23
Profesjonalna długa nasadka udarowa 6-kątna 1/2" BAHCO z serii K7806M, z wzmocnioną konstrukcją, wykonana z wysokiej jakości stali stopowej, kutej, oksydowanej. Sześciokątny profil nasadki Dynamic Drive pozwala na pracę z wyższym momentem siły, rozkłada siły działające na śrubę na większej powierzchni, dzięki czemu nie niszczy śrub a oprócz tego pozwala na pracę z już zniszczonymi śrubami. Wydłużona nasadka udarowa przeznaczona jest do stosowania w elektronarzędziach, narzędziach akumulatorowych czy pneumatycznych z napędem udarowym.
Długa nasadka udarowa metryczna do śrub 23mm Bahco K7806M-23
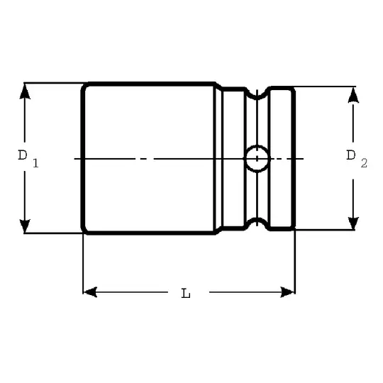
- rozmiar nasadki: 24mm
- rodzaj nasadki: sześciokątna
- mocowanie: 1/2" (DIN 3121-G 12.5 / ISO 1174)
- średnica u nasady "D1": 34,9mm
- średnica u wylotu "D2": 30mm
- wysokość "L": 78mm
- długość gniazda sześciokątnego "T": 16,3mm
- waga: 490g
W celu zapewnienia maksymalnego bezpieczeństwa do wydłużonej nasadki udarowej należy użyć sprężyny zaciskowej K560F-5.
Polecamy profesjonalną długą nasadkę udarową Bahco do stosowania z kluczami udarowymi w serwisach samochodowych, serwisach maszyn i w przemyśle ciężkim. Przedłużona nasadka udarowa Bahco jest idealna do śrub kół samochodowych.
| długość całkowita: | 78 mm |
| waga: | 490 g |
| typ mocowania : | kwadrat 1/2'' |
| rozmiar: | 24 mm |
| rodzaj nasadki: | 6-kątna |
| EAN: | 7314151805982 |
| typ rozmiaru : | metryczny |
| kraj produkcji: | Tajwan |
| stan: | nowy |
| masa z opakowaniem: | 0.330 kg |
| producent: |
Nazwa firmy: SNA Europe ul. ANTIGUA CTRA.ALTUBE, KM 5.5 01196 VITORIA-GASTEIZ, Spain e-mail: info.pl@snaeurope.com |
