nasadka udarowa sześciokątna 1/2" M27 Bahco [K7801M-27]
-
Producent:
-
Kod producenta:K7801M-27
Stan magazynowy: 1
| Dostępność: |
dostępny
|
| Koszt dostawy: | od 15,99zł Zobacz wszystkie |
| Cena punktowa: | 601 pkt. |
Profesjonalna nasadka udarowa sześciokątna z mocowaniem na kwadrat 1/2" BAHCO typ K7801M-27 do śrub 27mm, wykonana z wysokiej jakości stali stopowej, kutej, oksydowanej.
Sześciokątny profil nasadki Dynamic Drive pozwala na pracę z wyższym momentem siły, gwarantuje pewne trzymanie i odkręcanej śrub/nakrętek również tych zniszczonych i zapobiega zniszczeniu śrub.
Nasadka udarowa Bahco przeznaczona jest do stosowania w elektronarzędziach, narzędziach akumulatorowych czy pneumatycznych z napędem udarowym.
Kliknij, żeby przeczytać pełny opis.Nasadka udarowa sześciokątna 1/2" do śrub M27 Bahco K7801M-27
Profesjonalna nasadka udarowa 6-kątna 1/2" BAHCO z serii K7801M, wykonana z wysokiej jakości stali stopowej, kutej, oksydowanej, zgodnie z normą DIN 3129, ISO 2725. Sześciokątny profil nasadki Dynamic Drive pozwala na pracę z wyższym momentem siły, rozkłada siły działające na śrubę na większej powierzchni, dzięki czemu nie niszczy śrub a oprócz tego pozwala na pracę z już zniszczonymi śrubami. Nasadka udarowa przeznaczona jest do stosowania w elektronarzędziach, narzędziach akumulatorowych czy pneumatycznych z napędem udarowym.
Nasadka udarowa do śrub 27mm Bahco K7801M-27
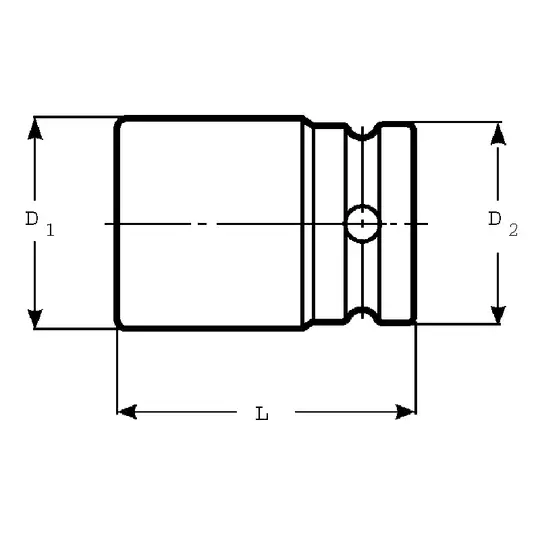
- rozmiar nasadki: 27mm
- rodzaj nasadki: sześciokątna
- mocowanie: 1/2" (DIN 3121-G 12.5 / ISO 1174)
- średnica u nasady "D1": 38,5mm
- średnica u wylotu "D2": 30mm
- wysokość "L": 45mm
- waga: 200g
W celu zapewnienia maksymalnego bezpieczeństwa do nasadki udarowej należy użyć sprężyny zaciskowej K560F-5.
Polecamy profesjonalną nasadkę udarową Bahco do stosowania z kluczami udarowymi w serwisach samochodowych, serwisach maszyn i w przemyśle ciężkim.
| długość całkowita: | 45 mm |
| waga: | 200 g |
| typ mocowania : | kwadrat 1/2'' |
| rozmiar: | 27 mm |
| rodzaj nasadki: | 6-kątna |
| EAN: | 7314151779979 |
| typ rozmiaru : | metryczny |
| kraj produkcji: | Tajwan |
| stan: | nowy |
| masa z opakowaniem: | 0.200 kg |
| producent: |
Nazwa firmy: SNA Europe ul. ANTIGUA CTRA.ALTUBE, KM 5.5 01196 VITORIA-GASTEIZ, Spain e-mail: info.pl@snaeurope.com |
